Loading...

YE250F-350

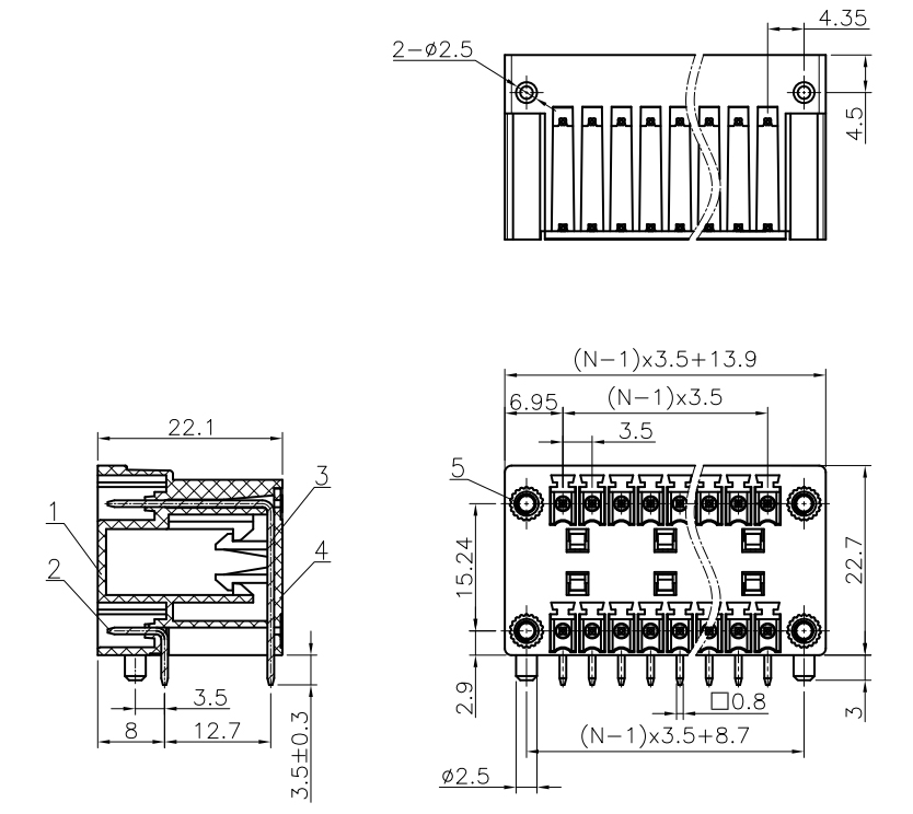
插拔式接线端子
额定电流:12A
额定电压(III2):300V
针距:3.50mm
颜色:绿色
表面触点:镀锡

在线留言

 技术参数

 UL/CUL

 等级

B

C

D

 额定电压(V)


 


 额定电流(A)


 


 接线范围

0.2~2.5/22~14

 单/多芯线(AWG)

 耐电压


 接触电阻

<20 mΩ

 

 

 技术参数

 -

 IEC

 过电压类别

 污染级别

3

2

2

 额定电压(V)


600V


 额定电流(A)


15A


 额定冲击电压(KV)




 导线截面积


 硬性/柔性导线(mm2)

 材料

 绝缘材料

PC

 阻燃等级

UL94V-0

 导体材料

黄铜

 导体表面镀层

镀锡

 一般参数

 间距(mm)

8.4mm

 级数(P)

2P~16P

 剥线长度(mm)


 螺丝

M4

 扭矩(N.m)

 工作温度()

-40~+105°

 引针尺寸(mm)

 

 PCB板孔径(mm)



 包装单位

300

 最小订货量


 产品重量(不含包装)

 


    暂无资料下载信息!
  • 返回顶部
  • 180 0687 2388
  • 微信二维码
    关注你附近